Спецпредложения
О компании
Контакты
8 (351) 777-123-0
Заказать звонок
Отправить заявку
Каталог
Запчасти УРАЛ
Двигатель
Запчасти двигателя
Система выпуска газов
Система охлаждения
Система питания
Трансмиссия
Коробка передач
Коробка раздаточная
Передача карданная
Сцепление
Мост передний ведущий
Мост средний
Мост задний
Кабина и кузов
Запчасти кабины
Оперение и облицовка
Боковина кузова
Отопление и вентиляция
Принадлежности
Платформа
Ходовая часть
Подвеска
Рама
Ось
Колеса и ступицы
Механизмы управления
Управление рулевое
Тормозная система
Электрооборудование
Приборы и датчики
Запчасти электрооборудования
Дополнительное оборудование
Лебедка
Отбор мощности
Устройство седельное
Прочее
Инструмент и принадлежности
Метизы
Подшипники
Ремкомплекты, РТИ
Запчасти КАМАЗ
Двигатель
Запчасти двигателя
Система выпуска газов
Система охлаждения
Система питания
ПЖД и запчасти к ним
Кабина и кузов
Запчасти кабины
Отопление и вентиляция кабины
Платформа
Принадлежности кабины
Ходовая часть
Колеса и ступицы
Ось
Подвеска автомобиля
Рама
Трансмиссия
Коробка передач
Коробка раздаточная
Мост задний
Мост передний
Мост средний
Передача карданная
Сцепление
Механизмы управления
Тормозная система
Рулевое управление
Дополнительное оборудование
Отбор мощности
Устройство седельное
Инструмент и принадлежности
Электрооборудование
Приборы и датчики
Запчасти электрооборудования
Двигатели ЯМЗ
ЯМЗ-236 (V6)
ЯМЗ-6565 (V6)
ЯМЗ-7601 (V6)
ЯМЗ-238 (V8)
ЯМЗ-658 (V8)
ЯМЗ-751 (V8)
ЯМЗ-240 (V12)
ЯМЗ-840 (V12)
ЯМЗ-850 (V12)
ЯМЗ-530 (Р4, Р6)
ЯМЗ-650 (Р6)
Запчасти ЯМЗ
Запчасти двигателя
Система питания
Система охлаждения
Система выпуска газов
Топливная аппаратура ЯЗДА
Трансмиссия
Сцепление
Коробка передач
Электрооборудование
Разные запчасти ЯМЗ
Запчасти для китайской техники
Запчасти ЧТЗ
Прочие запчасти для техники
Комплекты вкладышей
Рессоры и листы рессор
Поиск
Графические каталоги
0
Корзина
Меню
Каталог
Запчасти УРАЛ
Двигатель
Запчасти двигателя
Система выпуска газов
Система охлаждения
Система питания
Трансмиссия
Коробка передач
Коробка раздаточная
Передача карданная
Сцепление
Мост передний ведущий
Мост средний
Мост задний
Кабина и кузов
Запчасти кабины
Оперение и облицовка
Боковина кузова
Отопление и вентиляция
Принадлежности
Платформа
Ходовая часть
Подвеска
Рама
Ось
Колеса и ступицы
Механизмы управления
Управление рулевое
Тормозная система
Электрооборудование
Приборы и датчики
Запчасти электрооборудования
Дополнительное оборудование
Лебедка
Отбор мощности
Устройство седельное
Прочее
Инструмент и принадлежности
Метизы
Подшипники
Ремкомплекты, РТИ
Запчасти КАМАЗ
Двигатель
Запчасти двигателя
Система выпуска газов
Система охлаждения
Система питания
ПЖД и запчасти к ним
Кабина и кузов
Запчасти кабины
Отопление и вентиляция кабины
Платформа
Принадлежности кабины
Ходовая часть
Колеса и ступицы
Ось
Подвеска автомобиля
Рама
Трансмиссия
Коробка передач
Коробка раздаточная
Мост задний
Мост передний
Мост средний
Передача карданная
Сцепление
Механизмы управления
Тормозная система
Рулевое управление
Дополнительное оборудование
Отбор мощности
Устройство седельное
Инструмент и принадлежности
Электрооборудование
Приборы и датчики
Запчасти электрооборудования
Двигатели ЯМЗ
ЯМЗ-236 (V6)
ЯМЗ-6565 (V6)
ЯМЗ-7601 (V6)
ЯМЗ-238 (V8)
ЯМЗ-658 (V8)
ЯМЗ-751 (V8)
ЯМЗ-240 (V12)
ЯМЗ-840 (V12)
ЯМЗ-850 (V12)
ЯМЗ-530 (Р4, Р6)
ЯМЗ-650 (Р6)
Запчасти ЯМЗ
Запчасти двигателя
Система питания
Система охлаждения
Система выпуска газов
Топливная аппаратура ЯЗДА
Трансмиссия
Сцепление
Коробка передач
Электрооборудование
Разные запчасти ЯМЗ
Запчасти для китайской техники
Запчасти ЧТЗ
Прочие запчасти для техники
Комплекты вкладышей
Рессоры и листы рессор
Графические каталоги
Спецпредложения
О компании
Контакты
8 (351) 777-123-0
7296440@mail.ru
8 (351) 777-123-0
Заказать звонок
Отправить заявку
Поиск
0
Корзина
Меню
Каталог
Запчасти УРАЛ
Двигатель
Запчасти двигателя
Система выпуска газов
Система охлаждения
Система питания
Трансмиссия
Коробка передач
Коробка раздаточная
Передача карданная
Сцепление
Мост передний ведущий
Мост средний
Мост задний
Кабина и кузов
Запчасти кабины
Оперение и облицовка
Боковина кузова
Отопление и вентиляция
Принадлежности
Платформа
Ходовая часть
Подвеска
Рама
Ось
Колеса и ступицы
Механизмы управления
Управление рулевое
Тормозная система
Электрооборудование
Приборы и датчики
Запчасти электрооборудования
Дополнительное оборудование
Лебедка
Отбор мощности
Устройство седельное
Прочее
Инструмент и принадлежности
Метизы
Подшипники
Ремкомплекты, РТИ
Запчасти КАМАЗ
Двигатель
Запчасти двигателя
Система выпуска газов
Система охлаждения
Система питания
ПЖД и запчасти к ним
Кабина и кузов
Запчасти кабины
Отопление и вентиляция кабины
Платформа
Принадлежности кабины
Ходовая часть
Колеса и ступицы
Ось
Подвеска автомобиля
Рама
Трансмиссия
Коробка передач
Коробка раздаточная
Мост задний
Мост передний
Мост средний
Передача карданная
Сцепление
Механизмы управления
Тормозная система
Рулевое управление
Дополнительное оборудование
Отбор мощности
Устройство седельное
Инструмент и принадлежности
Электрооборудование
Приборы и датчики
Запчасти электрооборудования
Двигатели ЯМЗ
ЯМЗ-236 (V6)
ЯМЗ-6565 (V6)
ЯМЗ-7601 (V6)
ЯМЗ-238 (V8)
ЯМЗ-658 (V8)
ЯМЗ-751 (V8)
ЯМЗ-240 (V12)
ЯМЗ-840 (V12)
ЯМЗ-850 (V12)
ЯМЗ-530 (Р4, Р6)
ЯМЗ-650 (Р6)
Запчасти ЯМЗ
Запчасти двигателя
Система питания
Система охлаждения
Система выпуска газов
Топливная аппаратура ЯЗДА
Трансмиссия
Сцепление
Коробка передач
Электрооборудование
Разные запчасти ЯМЗ
Запчасти для китайской техники
Запчасти ЧТЗ
Прочие запчасти для техники
Комплекты вкладышей
Рессоры и листы рессор
Графические каталоги
Спецпредложения
О компании
Контакты
8 (351) 777-123-0
7296440@mail.ru
8 (351) 777-123-0
0
Корзина
Поиск
Главная
Графические каталоги
ЗИЛ
ЗИЛ-433100
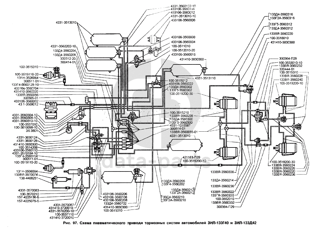
Схема пневматического привода тормозных систем автомобилей ЗИЛ-133Г40 и ЗИЛ-133Д42
Схема пневматического привода тормозных систем автомобилей ЗИЛ-133Г40 и ЗИЛ-133Д42 ЗИЛ-433100
4331-1015587
131Н-3506064
131Н-3506064
43.1-3509012
100-3511010
100-3512010-20
4331-3513010
4331-3513010
4331-3513010-10
100-3514208
100-3515012
100-3515210
100-3515310
100-3515310
100-3515310
100-3518010
100-3519110-20
100-3519110-20
100-3519200-10
100-3519200-10
100-3519200-30
100-3519200-30
100-3533010-10
100-3537010
100-3537110
433106-3560002
433106-3560004
433106-3560006
433106-3560008
433106-3560012
433106-3560016
433106-3560022
133ВЯ-3560055-01
133ВЯ-3560056
4331-3560102-10
433106-3560106
433106-3560108
433106-3560110
133Г4-3560114
133Г4-3560128-10
4331-3560202-10
133Г4-3560202
133Д4-3560204
133Д4-3560206
433106-3560206
133Д4-3560208
433106-3560208
133Д4-3560210
133Г2А-3560210
133Д4-3560212
133Д4-3560214
133ВЯ-3560220
133ВЯ-3560220
133ВЯ-3560224
133ВЯ-3560226
133ВЯ-3560228
133ВЯ-3560232
133ВЯ-3560236
133ВЯ-3560236
133ВЯ-3560238
133ВЯ-3560240
133Г5-3560300
133Д4-3560300
133Д4-3560302
133Г5-3560302
4331-3560304-10
4331-3560308-10
4331-3560310-10
133Д4-3560312
133Г5-3560312
133Д4-3560316
133Г2А-3560316
431410-3560320
133ВЯ-3560322
133ГЯ-3560330
133ВЯ-3560332
133ВЯ-3560336
133Д4-3560702
433106-3560704
100-3562010
4331-3570057
133ВЯ-3570074
4331-3570083
4331-3570184-10
4331-3570200-10
100-3570210
431410-3720010
431410-3720010
36.3801
130-3810098-10
4331-3830124
4331-3830128
431410-3830300
431410-3830300
431410-3830300
431410-3830300
157-4225076-Б
157-4225136-Б
138-4408251
300364-П29
300364-П29
300414-01
300444-01
300505-01
300511-01
300511-01
300512-20
300514-01
421163-П29
4331-3513110
133Г2А-3560212
%
None
133ВЯ-3560322
Шланг
Кол-во
0
?
Оставить заявку
None
100-3519200-10
Камера тормозная с энергоаккумулятором задняя
Кол-во
0
?
Оставить заявку
None
100-3519110-20
Камера тормозная тип 20 в сборе
Кол-во
0
?
Оставить заявку
None
131Н-3506064
Шланг
Кол-во
0
?
Оставить заявку
None
36.3801
Комбинация приборов в сборе
Кол-во
0
?
Оставить заявку
None
100-3511010
Влагомаслоотделитель в сборе
Кол-во
0
?
Оставить заявку
None
300364-П29
Штуцер проходной
Кол-во
0
?
Оставить заявку
None
300514-01
Штуцер
Кол-во
0
?
Оставить заявку
None
300414-01
Тройник
Кол-во
0
?
Оставить заявку
None
4331-3830128
Трубка к воздушному манометру в сборе
Кол-во
0
?
Оставить заявку
None
4331-3830124
Трубка от воздушного манометра в сборе
Кол-во
0
?
Оставить заявку
None
100-3519200-30
Камера тормозная с энергоаккумулятором задняя
Кол-во
0
?
Оставить заявку
None
133ВЯ-3560055-01
Крестовина
Кол-во
0
?
Оставить заявку
None
133ВЯ-3560238
Трубка от двухмагистрального клапана к правому пружинному энергоаккумулятору среднего моста
Кол-во
0
?
Оставить заявку
None
133ВЯ-3560236
Трубка от двухмагистрального клапана к левому пружинному энергоаккумулятору заднего моста
Кол-во
0
?
Оставить заявку
None
133ВЯ-3560228
Трубка от двухмагистрального клапана к правому пружинному энергоаккумулятору заднего моста
Кол-во
0
?
Оставить заявку
None
133ВЯ-3560226
Трубка от регулятора тормозных сил к левой тормозной камере заднего моста
Кол-во
0
?
Оставить заявку
None
133ВЯ-3560220
Шланг соединительный
Кол-во
0
?
Оставить заявку
None
133Д4-3560214
Трубка от тормозного крана к регулятору тормозных сил в сборе
Кол-во
0
?
Оставить заявку
None
133Д4-3560212
Трубка от тормозного крана к регулятору тормозных сил в сборе
Кол-во
0
?
Оставить заявку
None
133Г2А-3560212
Трубка от тормозного крана к регулятору тормозных сил в сборе
Кол-во
0
?
Оставить заявку
None
133Д4-3560210
Трубка от тормозного крана к регулятору тормозных сил в сборе
Кол-во
0
?
Оставить заявку
None
133Г2А-3560210
Трубка от тормозного крана к регулятору тормозных сил в сборе
Кол-во
0
?
Оставить заявку
None
133Д4-3560208
Трубка от воздушных баллонов задних тормозов к тормозному крану в сборе
Кол-во
0
?
Оставить заявку
None
433106-3560208
Трубка от тормозного крана к задним тормозам первая
Кол-во
0
?
Оставить заявку
None
4331-3560310-10
Трубка от крана стояночного тормоза
Кол-во
0
?
Оставить заявку
None
300444-01
Угольник
Кол-во
0
?
Оставить заявку
None
133ВЯ-3560332
Трубка от двух магистрального клапана к пружинным энергоаккумуляторам заднего моста
Кол-во
0
?
Оставить заявку
None
133ГЯ-3560330
Трубка от ускорительного клапана к двухмагистральному клапану
Кол-во
0
?
Оставить заявку
None
133Д4-3560316
Трубка от воздушного баллона стояночного тормоза к ускорительному клапану в сборе
Кол-во
0
?
Оставить заявку
None
133Г2А-3560316
Трубка от воздушного баллона стояночного тормоза к ускорительному клапану в сборе
Кол-во
0
?
Оставить заявку
None
133Д4-3560312
Трубка от крана стояночного тормоза к ускорительному клапану в сборе
Кол-во
0
?
Оставить заявку
None
133Г5-3560312
Трубка от крана стояночного тормоза к ускорительному клапану в сборе
Кол-во
0
?
Оставить заявку
None
133ВЯ-3560240
Трубка от тормозного крана к двухмагистральному клапану
Кол-во
0
?
Оставить заявку
None
133ВЯ-3560232
Трубка от регулятора тормозных сил к тормозным камерам среднего моста
Кол-во
0
?
Оставить заявку
None
431410-3560320
Шланг соединительный в сборе
Кол-во
0
?
Оставить заявку
None
300512-20
Тройник
Кол-во
0
?
Оставить заявку
None
433106-3560206
Трубка от воздушного баллона задних тормозов к тормозному крану вторая
Кол-во
0
?
Оставить заявку
None
133Г4-3560128-10
Трубка от тормозного крана к правой передней тормозной камере в сборе
Кол-во
0
?
Оставить заявку
None
133Г4-3560114
Трубка от тормозного крана к левой передней тормозной камере в сборе
Кол-во
0
?
Оставить заявку
None
433106-3560110
Трубка от тормозного крана к передним тормозам
Кол-во
0
?
Оставить заявку
None
433106-3560108
Трубка от воздушного баллона передних тормозов к тормозному крану вторая
Кол-во
0
?
Оставить заявку
None
433106-3560106
Трубка от воздушного баллона передних тормозов к тормозному крану первая
Кол-во
0
?
Оставить заявку
None
4331-1015587
Шланг 10х300
Кол-во
0
?
Оставить заявку
None
100-3512010-20
Регулятор давления в сборе
Кол-во
0
?
Оставить заявку
None
4331-3560308-10
Трубка в сборе
Кол-во
0
?
Оставить заявку
None
100-3518010
Клапан ускорительный в сборе
Кол-во
0
?
Оставить заявку
None
133ВЯ-3560224
Трубка от регулятора тормозных сил к тормозным камерам заднего моста
Кол-во
0
?
Оставить заявку
None
4331-3560304-10
Трубка к крану стояночного тормоза
Кол-во
0
?
Оставить заявку
None
100-3570210
Цилиндр пневматический диаметром 35х65 в сборе
Кол-во
0
?
Оставить заявку
None
4331-3513010
Баллон воздушный в сборе
Кол-во
0
?
Оставить заявку
None
100-3515310
Клапан контрольного вывода в сборе
Кол-во
0
?
Оставить заявку
None
133ВЯ-3570074
Цилиндр выключения подачи топлива с тягой в сборе
Кол-во
0
?
Оставить заявку
None
433106-3560004
Трубка от компрессора к регулятору давления вторая в сборе
Кол-во
0
?
Оставить заявку
None
100-3533010-10
Регулятор тормозных сил в сборе
Кол-во
0
?
Оставить заявку
None
4331-3513110
Кран слива конденсата в сборе
Кол-во
0
?
Оставить заявку
None
133Д4-3560702
Трубка от одинарного защитногоo клапана к воздушному баллону в сборе
Кол-во
0
?
Оставить заявку
None
133ВЯ-3560336
Трубка от двухмагистрального клапана к левому пружинному энергоаккумулятору среднего моста
Кол-во
0
?
Оставить заявку
None
133Г5-3560302
Трубка от баллона стояночного тормоза к крану стояночного тормоза в сборе
Кол-во
0
?
Оставить заявку
None
4331-3513010-10
Баллон воздушный
Кол-во
0
?
Оставить заявку
None
433106-3560012
Трубка от влагомаслоотделителя к конденсационному баллону в сборе
Кол-во
0
?
Оставить заявку
None
4331-3560202-10
Трубка от тройного защитного клапана к воздушному баллону задних тормозов
Кол-во
0
?
Оставить заявку
None
4331-3560102-10
Трубка от тройного защитного клапана к баллону передних тормозов
Кол-во
0
?
Оставить заявку
None
433106-3560002
Трубка от компрессора к регулятору давления первая в сборе
Кол-во
0
?
Оставить заявку
None
43.1-3509012
Компрессор с патрубком в сборе
Кол-во
0
?
Оставить заявку
None
300505-01
Штуцер
Кол-во
0
?
Оставить заявку
None
433106-3560008
Трубка от конденсационного баллона к регулятору давления в сборе
Кол-во
0
?
Оставить заявку
None
433106-3560016
Трубка от воздушного баллона к одинарному защитному клапану в сборе
Кол-во
0
?
Оставить заявку
None
433106-3560006
Трубка от воздушного баллона к влагомаслоотделителю в сборе
Кол-во
0
?
Оставить заявку
None
433106-3560704
Трубка от воздушного баллона к распредели тельной коробке в сборе
Кол-во
0
?
Оставить заявку
None
433106-3560022
Трубка от одинарного защитного клапана к тройному клапану в сборе
Кол-во
0
?
Оставить заявку
None
133Д4-3560302
Трубка от баллона стояночного тормоза к крану стояночного тормоза в сборе
Кол-во
0
?
Оставить заявку
None
133Д4-3560300
Трубка от тройного защитного клапана к баллону стояночного тормоза в сборе
Кол-во
0
?
Оставить заявку
None
100-3537110
Кран пневматический уст. до 1991 г. (с 1991 г. в конструкции отменен)
Кол-во
0
?
Оставить заявку
None
431410-3830300
Датчик аварийного падения давления типа ММ124Д в сборе
Кол-во
0
?
Оставить заявку
None
300511-01
Штуцер
Кол-во
0
?
Оставить заявку
None
100-3537010
Кран тормозной обратного действия с ручным управлением в сборе
Кол-во
0
?
Узнать цену
100-3537010
Кран ЗИЛ КАМАЗ МАЗ стояночного тормоза 3-х выводной
Производитель: АЗ УРАЛ (партнер)
под заказ
4 385 ₽
В корзину
None
130-3810098-10
Шланг в сборе
Кол-во
0
?
Оставить заявку
None
133ВЯ-3560056
Коробка распределительная
Кол-во
0
?
Оставить заявку
None
100-3562010
Клапан двухмагистральный перепускной в сборе
Кол-во
0
?
Оставить заявку
None
100-3514208
Кран тормозной в сборе
Кол-во
0
?
Оставить заявку
None
100-3515012
Клапан защитный одинарный в сборе
Кол-во
0
?
Оставить заявку
None
100-3515210
Клапан защитный тройной в сборе
Кол-во
0
?
Узнать цену
100-3515210
Клапан ЗИЛ КАМАЗ МАЗ УРАЛ защитный тройной
Производитель: АЗ УРАЛ (партнер)
под заказ
4 090 ₽
В корзину
None
4331-3570057
Коробка распределительная
Кол-во
0
?
Оставить заявку
None
4331-3570083
Ниппель
Кол-во
0
?
Оставить заявку
None
133Г5-3560300
Трубка от тройного защитного клапана к баллону стояночного тормоза в сборе
Кол-во
0
?
Оставить заявку
None
133Д4-3560206
Трубка от воздушного баллона задних тормозов к тормозному крану в сборе
Кол-во
0
?
Оставить заявку
None
133Д4-3560204
Трубка от воздушного баллона задних тормозов к тормозному крану в сборе
Кол-во
0
?
Оставить заявку
None
133Г4-3560202
Трубка от воздушного баллона задних тормозов к тормозному крану в сборе
Кол-во
0
?
Оставить заявку
None
138-4408251
Шланг подвода воздуха к пневмогидравлическому усилителю
Кол-во
0
?
Оставить заявку
None
157-4225136-Б
Шланг
Кол-во
0
?
Оставить заявку
None
157-4225076-Б
Шланг манометра воздуха
Кол-во
0
?
Оставить заявку
None
431410-3720010
Выключатель сигналов торможения ММ125Д или 2802.3829 в сборе
Кол-во
0
?
Оставить заявку
None
4331-3570200-10
Трубка от крана управления вспомогательным тормозом к распределительной коробке в сборе
Кол-во
0
?
Оставить заявку
None
4331-3570184-10
Трубка от распределительной коробки к крану управления вспомогательным тормозом в сборе
Кол-во
0
?
Оставить заявку
None
421163-П29
Штуцер
Кол-во
0
?
Оставить заявку
Получить консультацию
У нас большой опыт по подбору запчастей, и мы с радостью поможем вам найти нужную деталь, даже если вы не знаете ее артикул
Векшина Ольга Игоревна
Руководитель отдела продаж
Почта:
7296440@mail.ru
Телефон:
8 (351) 777-123-0
WhatsApp
Заказать обратный звонок
Консультация онлайн
Вы должны включить JavaScript чтобы использовать эту форму.
Ваше имя
Телефон
Ваш вопрос
Отправляя форму вы подтверждаете согласие с
политикой обработки персональных данных
.
Отправить
Оставьте это поле пустым